वर्तमान ट्रांसफार्मर सीटी
घाव का प्रकार 5p10 5p20 Ct 100 150 400 5a
  • घाव का प्रकार 5p10 5p20 Ct 100 150 400 5aघाव का प्रकार 5p10 5p20 Ct 100 150 400 5a

घाव का प्रकार 5p10 5p20 Ct 100 150 400 5a

उच्च गुणवत्ता वाले संभावित ट्रांसफार्मर और वर्तमान ट्रांसफार्मर की आपूर्ति करने के लिए, वानजाउ XiFa इलेक्ट्रिक पावर उपकरण कं, लिमिटेड ग्राहकों को अनुकूलित सेवा का समर्थन करता है जैसे कि घाव प्रकार 5p10 5p20 ct 100 150 400 5a का उत्पादन और आपूर्ति। वेनझोउ XiFa इलेक्ट्रिक में, तेज डिलीवरी सुनिश्चित करने के लिए, उत्पादक टीम नियमित प्रकार के वर्तमान ट्रांसफार्मर, जैसे कि 100/5a 10p10 0.5 वर्तमान ट्रांसफार्मर, के लिए इन्वेंट्री रखती है। हालाँकि, कंपनी विभिन्न बिजली की माँगों को पूरा करने के लिए अनुकूलित सेवा का समर्थन करती है जैसे कि वर्तमान ट्रांसफार्मर की आपूर्ति, जिसका सुरक्षा वर्ग 5p10 या 5p20 है।

घाव प्रकार के वर्तमान ट्रांसफार्मर को 10kv 20kv और 35kv जैसे मध्यम वोल्टेज बिजली प्रणालियों में विश्वसनीय वर्तमान माप और सुरक्षा के लिए डिज़ाइन किया गया है। 100/5ए, 150/5ए, और 400/5ए के वर्तमान अनुपात में उपलब्ध है, और 5पी10 और 5पी20 की सुरक्षा सटीकता कक्षाओं के साथ, यह घाव प्रकार 5पी10 5पी20 सीटी 100 150 400 5ए सटीक माध्यमिक वर्तमान आउटपुट प्रदान करता है जो मापने, पैमाइश और सुरक्षात्मक रिले अनुप्रयोगों दोनों के लिए उपयुक्त है।

ठोस चुंबकीय कोर और द्वितीयक कॉइल के साथ निर्मित, घाव प्रकार का वर्तमान ट्रांसफार्मर शॉर्ट सर्किट स्थितियों के तहत स्थिर प्रदर्शन सुनिश्चित करता है और क्षणिक घटनाओं के दौरान भी सटीक वर्तमान परिवर्तन प्रदान करता है। इसकी मजबूत इन्सुलेशन प्रणाली, जिसमें अक्सर एपॉक्सी या उच्च ग्रेड राल शामिल होती है, सुरक्षा, लंबी सेवा जीवन और नमी और पर्यावरणीय तनाव के प्रतिरोध को सुनिश्चित करती है।

रिले सुरक्षा योजनाओं के लिए भरोसेमंद समर्थन प्रदान करने के लिए घाव प्रकार का डिज़ाइन स्विचगियर, नियंत्रण पैनल और वितरण बोर्ड में लचीली स्थापना की अनुमति देता है। घाव प्रकार का वर्तमान ट्रांसफार्मर औद्योगिक संयंत्रों, वाणिज्यिक सुविधाओं और उपयोगिता वितरण नेटवर्क के लिए आदर्श है जहां परिचालन निगरानी और सुरक्षात्मक नियंत्रण दोनों के लिए सटीक और विश्वसनीय वर्तमान माप आवश्यक है।

Wound Type 5p10 5p20 Ct 100 150 400 5a

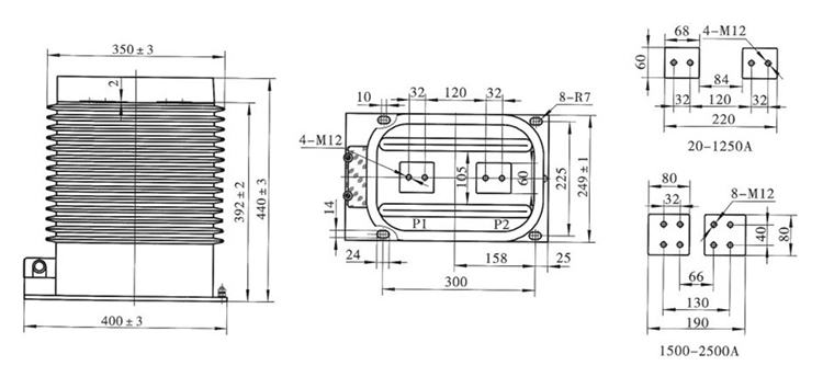
तकनीकी विशिष्टता:

प्रकार प्राथमिक रेटेड वर्तमान (ए) सटीकता वर्ग सटीकता वर्ग और रेटेड आउटपुट cosΦ=0.8 शोरी-टाइम थर्मल करंट (kA/S) रेटेड गतिशील धारा (केए)
0.2 0.5 (एस) 10पी10
LZZBJ9-35 20-100 0.2/0.2 0.2/0.5 0.2/5पी20 0.5/5पी20 0.2/0.5/5पी 0.2/5पी/5पी 10 10 15 150आई1एन 375आई1एन
150-200 31.5 80
300-500 31.5/2 80
600-1250 15 30 20 31.5/4 80
1500-2000 20 40 30 40/4 125
2500 20 40 20 40/4 125


प्रकार प्राथमिक रेटेड वर्तमान (ए) सटीकता वर्ग क्षमता (वीए) शोरी-टाइम थर्मल करंट (kA/S) रेटेड गतिशील धारा (केए)
LZZBJ9-35 10 0.2/10पी10 0.5/10पी10 0.2/5पी20 0.5/5पी20 0.2/0.5/10पी10 0.2/0.5/5पी20 0.2/10पी10/5पी20 0.5/10पी10/5पी20 15/20 20/20 15/20 20/20 15/20/20 15/20/20 15/20/20 20/20/20 1.5/1 3.75
20 2/1 5
30 3/1 7.5
40 4/1 10
50 5/1 12.5
75 7.5/1 18.75
100 10/1 25
150 15/1 37.5
200 20/1 50
300 31.5/1 80
400 31.5/2 80
500 31.5/2 80
600 31.5/2 80
800 31.5/3 80
1000 31.5/3 80
1200 31.5/3 80
1500 31.5/3 80
2000 31.5/3 80

Wound Type 5p10 5p20 Ct 100 150 400 5a

उत्पाद अक्सर पूछे जाने वाले प्रश्न:

प्रश्न: घाव प्रकार 5पी10 5पी20 सीटी 100 150 400 5ए में "घाव-प्रकार 5पी10" या "5पी20" का क्या मतलब है?

ए: शब्द "घाव-प्रकार" सीटी को संदर्भित करता है जहां प्राथमिक कंडक्टर कोर के माध्यम से बसबार या बार के बजाय घाव घुमावदार होता है। वर्ग 5पी10 या 5पी20 सुरक्षा सटीकता को इंगित करता है: 5पी का मतलब रेटेड सेकेंडरी करंट पर 5% तक की त्रुटि है, और संख्या 10 या 20 निर्दिष्ट त्रुटि से अधिक के बिना रेटेड प्राथमिक करंट का अधिकतम अनुमेय अल्पकालिक गुणक है।

प्रश्न: मैं अपने सिस्टम के लिए सही सीटी रेटिंग कैसे चुनूं?

ए: अपने सिस्टम की अधिकतम लोड वर्तमान और सुरक्षा आवश्यकताओं के आधार पर एक सीटी का चयन करें। उदाहरण के लिए, 100/5ए सीटी 100 ए के आसपास विशिष्ट धाराओं वाले सर्किट के लिए उपयुक्त है, जबकि 400/5ए उच्च-वर्तमान फीडरों के लिए डिज़ाइन किया गया है। रिले की गलती का पता लगाने की संवेदनशीलता और अपेक्षित शॉर्ट सर्किट करंट के अनुसार सुरक्षा वर्ग (5P10 या 5P20) चुनें।

प्रश्न: 5p10 5p20 ct 100 150 400 5a प्रकार के घाव को कौन सी पर्यावरणीय स्थितियाँ संभाल सकती हैं?

ए: ये घाव प्रकार के वर्तमान ट्रांसफार्मर आमतौर पर -10 डिग्री सेल्सियस से +40 डिग्री सेल्सियस तक परिवेश के तापमान के लिए रेट किए जाते हैं, अधिकतम ऊंचाई 1000 मीटर है। औद्योगिक और उपयोगिता सेटिंग्स में विश्वसनीय सुरक्षा प्रदर्शन सुनिश्चित करने के लिए, आवास सामग्री और इन्सुलेशन सिस्टम नमी, धूल और प्रदूषण प्रतिरोधी संचालन के लिए डिज़ाइन किए गए हैं।




हॉट टैग: घाव प्रकार 5पी10 5पी20 सीटी 100 150 400 5ए, करंट ट्रांसफार्मर आपूर्तिकर्ता, मीटरिंग ट्रांसफार्मर थोक
जांच भेजें
संपर्क सूचना
  • पता

    नंबर 391, जिंगकी रोड, यानपैन औद्योगिक क्षेत्र, यूकिंग शहर, झेजियांग प्रांत, चीन

  • टेलीफोन

    +86-577-62731111

  • ईमेल

    info@xifaele.com

अपना कोटेशन यथाशीघ्र प्राप्त करने के लिए

XiFa-आपका विश्वसनीय विद्युत उपकरण आपूर्तिकर्ता
X
हम आपको बेहतर ब्राउज़िंग अनुभव प्रदान करने, साइट ट्रैफ़िक का विश्लेषण करने और सामग्री को वैयक्तिकृत करने के लिए कुकीज़ का उपयोग करते हैं। इस साइट का उपयोग करके, आप कुकीज़ के हमारे उपयोग से सहमत हैं। गोपनीयता नीति
अस्वीकार करना स्वीकार करना