वर्तमान ट्रांसफार्मर सीटी
रेज़िन कास्ट इलेक्ट्रिकल सीटी करंट ट्रांसफार्मर
  • रेज़िन कास्ट इलेक्ट्रिकल सीटी करंट ट्रांसफार्मररेज़िन कास्ट इलेक्ट्रिकल सीटी करंट ट्रांसफार्मर
  • रेज़िन कास्ट इलेक्ट्रिकल सीटी करंट ट्रांसफार्मररेज़िन कास्ट इलेक्ट्रिकल सीटी करंट ट्रांसफार्मर

रेज़िन कास्ट इलेक्ट्रिकल सीटी करंट ट्रांसफार्मर

वानजाउ XiFa इलेक्ट्रिक पावर इक्विपमेंट कं, लिमिटेड रेजिन कास्ट इलेक्ट्रिकल सीटी करंट ट्रांसफार्मर का उत्पादन करने के लिए एक पेशेवर निर्माता है, जहां 10 केवी से 35 केवी इलेक्ट्रिकल स्विचगियर को अपनाया जाता है। वानजाउ XiFa में, उत्पादक टीम वर्तमान ट्रांसफार्मर के किनारे बुलबुले को हटाने और सतह पर आंशिक निर्वहन को रोकने के लिए वैक्यूम वातावरण में एपॉक्सी राल कास्टिंग करती है। इस बीच, रेजिन कास्ट इलेक्ट्रिकल सीटी करंट ट्रांसफार्मर को वोल्टेज प्रतिरोध और दीर्घकालिक स्थिरता पर बेहतर प्रदर्शन प्राप्त करने के लिए मल्टी लेयर इन्सुलेशन संरचना के रूप में डिज़ाइन किया गया है।

रेजिन कास्ट इलेक्ट्रिकल सीटी करंट ट्रांसफार्मर एक इनडोर, एपॉक्सी रेजिन, वैक्यूम कास्ट, पोस्ट प्रकार की इकाई है जिसे 50 हर्ट्ज की रेटेड आवृत्ति के साथ 10kv वोल्टेज स्तर की बिजली प्रणालियों के लिए डिज़ाइन किया गया है। इसका उपयोग मुख्य रूप से वर्तमान माप, ऊर्जा मीटरिंग और सुरक्षात्मक रिलेइंग के लिए किया जाता है।

रेज़िन कास्ट इलेक्ट्रिकल सीटी करंट ट्रांसफार्मर पूरी तरह से संलग्न एपॉक्सी रेज़िन कास्टिंग प्रक्रिया को अपनाता है, जिसमें कोर उच्च ग्रेड चुंबकीय सामग्री से बना होता है, और कोर के साथ प्राथमिक और द्वितीयक कॉइल दोनों रेज़िन में एम्बेडेड होते हैं। यह निर्माण इन्सुलेशन, नमी प्रतिरोध और प्रदूषण प्रतिरोध पर उत्कृष्ट प्रदर्शन प्रदान करता है। रेज़िन कास्ट इलेक्ट्रिकल सीटी करंट ट्रांसफार्मर की सतह को किसी अतिरिक्त कोटिंग की आवश्यकता नहीं होती है, और करंट ट्रांसफार्मर को कई स्थितियों में स्थापित किया जा सकता है।

रेंज में मापने वाले वर्ग, जैसे 0.2S और 0.5S, और सुरक्षा वर्ग, जैसे 10P10 और 10P20, दोनों शामिल हैं। रेज़िन कास्ट इलेक्ट्रिकल सीटी करंट ट्रांसफार्मर पर एक मल्टी रेशियो डिज़ाइन उपलब्ध है, ताकि इसे मेटल क्लैड इलेक्ट्रिकल पैनल में उपयोग के लिए उपयुक्त बनाया जा सके।

Resin Cast Electrical Ct Current TransformerResin Cast Electrical Ct Current Transformer

तकनीकी विशिष्टता:

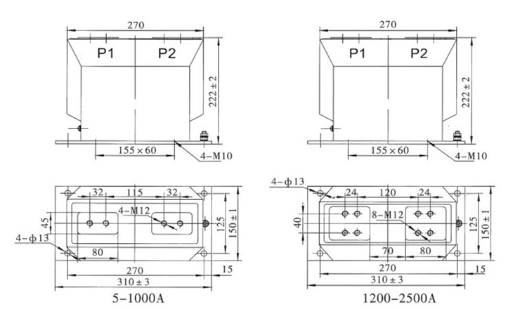
प्रकार प्राथमिक रेटेड वर्तमान (ए) सटीकता वर्ग सटीकता वर्ग और रेटेड आउटपुट cosΦ=0.8 शोरी-टाइम थर्मल करंट (kA/S) रेटेड गतिशील धारा (केए)
0.2 0.5 (एस) 10पी10 10पी15 10पी20
LZZBJ9-10 5-150 0.2एस/0.5 0.2एस/10पी 0.2/10पी 0.5एस/10पी 0.5/10पी 10 10 15 15 10 100I1n 250आई1एन
200-300 31.5 80
400-500 45 112
600-1000 63 130
1200-1500 80 160
2000-2500 100 180

Resin Cast Electrical Ct Current Transformer

उत्पाद अक्सर पूछे जाने वाले प्रश्न:

प्रश्न: रेजिन कास्ट इलेक्ट्रिकल सीटी करंट ट्रांसफार्मर का चयन करते समय किसी को किन तकनीकी मापदंडों की जांच करनी चाहिए?

उत्तर: चयन करते समय निम्नलिखित मुख्य मापदंडों की जाँच की जाएगी:

1.सटीकता वर्ग: पैमाइश/माप के लिए (जैसे 0.2s या 0.5) और सुरक्षा उद्देश्यों (जैसे 10P10, 5P10, आदि)।

2.रेटेड प्राथमिक धारा और द्वितीयक धारा (परिवर्तन अनुपात)।

3. कम समय की थर्मल करंट (Ith) और कम समय की करंट झेलने की क्षमता (गलती की स्थिति के लिए)।

4. इन्सुलेशन स्तर (वोल्टेज प्रतिरोध, आवेग वोल्टेज रेटिंग, आदि)।

5.पर्यावरणीय सहनशीलता: तापमान सीमा, ऊंचाई, आर्द्रता, प्रदूषण स्तर।

6. बोझ: वीए लोड सेकेंडरी को सटीकता में गिरावट के बिना चलाना चाहिए।

प्रश्न: रेजिन कास्ट इलेक्ट्रिकल सीटी करंट ट्रांसफार्मर किस वातावरण या अनुप्रयोगों में विशेष रूप से उपयुक्त हैं?

ए: निम्नलिखित वातावरण या अनुप्रयोग रेज़िन कास्ट इलेक्ट्रिकल सीटी करंट ट्रांसफार्मर के लिए उपयुक्त हैं:

1. इनडोर स्विचगियर, जहां जगह सीमित है और इन्सुलेशन महत्वपूर्ण है।

2. कठोर या प्रदूषित वातावरण (धूल, नमी, रसायन) में जहां खुले हिस्से या तेल खराब हो सकते हैं।

3. मीटरिंग और सुरक्षा सर्किट में जिन्हें लंबी अवधि में स्थिर, सटीक माप की आवश्यकता होती है।

4.ऐप्लिकेशन जहां कम रखरखाव और उच्च विश्वसनीयता महत्वपूर्ण है।

हॉट टैग: रेज़िन कास्ट करंट ट्रांसफार्मर आपूर्तिकर्ता, इलेक्ट्रिकल सीटी ट्रांसफार्मर निर्माता, कस्टम सीटी ट्रांसफार्मर थोक
जांच भेजें
संपर्क सूचना
  • पता

    नंबर 391, जिंगकी रोड, यानपैन औद्योगिक क्षेत्र, यूकिंग शहर, झेजियांग प्रांत, चीन

  • टेलीफोन

    +86-577-62731111

  • ईमेल

    info@xifaele.com

अपना कोटेशन यथाशीघ्र प्राप्त करने के लिए

XiFa-आपका विश्वसनीय विद्युत उपकरण आपूर्तिकर्ता
X
हम आपको बेहतर ब्राउज़िंग अनुभव प्रदान करने, साइट ट्रैफ़िक का विश्लेषण करने और सामग्री को वैयक्तिकृत करने के लिए कुकीज़ का उपयोग करते हैं। इस साइट का उपयोग करके, आप कुकीज़ के हमारे उपयोग से सहमत हैं। गोपनीयता नीति
अस्वीकार करना स्वीकार करना