संभावित ट्रांसफार्मर पीटी
33kv उच्च वोल्टेज एकल चरण संभावित ट्रांसफार्मर
  • 33kv उच्च वोल्टेज एकल चरण संभावित ट्रांसफार्मर33kv उच्च वोल्टेज एकल चरण संभावित ट्रांसफार्मर

33kv उच्च वोल्टेज एकल चरण संभावित ट्रांसफार्मर

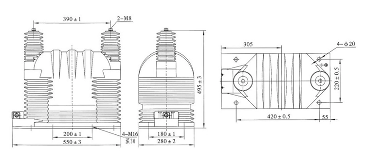
वानजाउ XiFa इलेक्ट्रिक पावर इक्विपमेंट कं, लिमिटेड 33kv उच्च वोल्टेज एकल चरण संभावित ट्रांसफार्मर और वर्तमान ट्रांसफार्मर का उत्पादन करने के लिए एक अनुभवी निर्माता है। वानजाउ XiFa इन्सुलेशन पर बेहतर प्रदर्शन प्राप्त करने के लिए उच्च गुणवत्ता वाले राल का उपयोग करता है, जैसे ब्रेकडाउन या आंशिक निर्वहन के बिना उच्च वोल्टेज के तहत दीर्घकालिक संचालन। प्रत्येक 33kv उच्च वोल्टेज एकल चरण संभावित ट्रांसफार्मर को 20 या 30 वर्षों तक लंबी सेवा जीवन प्राप्त करने के लिए वैक्यूम परिस्थिति में एपॉक्सी राल डालना आवश्यक है। डिलीवरी से पहले, बुनियादी तकनीकी विशिष्टताओं को मापना आवश्यक है जैसे कि पावर फ्रीक्वेंसी वोल्टेज, आंशिक डिस्चार्ज, इन्सुलेशन प्रतिरोध, सटीकता, ध्रुवता और तापमान वृद्धि का सामना करती है।

उत्पाद की विशेषताएँ:

1. संरचनात्मक रूप से, 33kv उच्च वोल्टेज एकल चरण संभावित ट्रांसफार्मर को छोटी क्षमता और उच्च अनुपात वाले स्टेप डाउन पावर ट्रांसफार्मर के रूप में माना जा सकता है। हालाँकि, एक पावर ट्रांसफार्मर के विपरीत, aसंभावित ट्रांसफार्मरलोड आपूर्ति के लिए ऊर्जा स्थानांतरित नहीं करता है। इसके बजाय, यह माप और सुरक्षा पर एक महत्वपूर्ण भूमिका निभाता है।

2. द्वितीयक सर्किट मापने वाले उपकरणों, सुरक्षात्मक रिले और स्वचालित उपकरणों से जुड़ा होता है, जिनमें से वोल्टेज कॉइल अत्यधिक उच्च और अनिवार्य रूप से स्थिर प्रतिबाधा प्रस्तुत करते हैं। परिणामस्वरूप, पावर ट्रांसफार्मर की नो लोड स्थिति के समान, द्वितीयक धारा न्यूनतम होती है। 33kv उच्च वोल्टेज एकल चरण संभावित ट्रांसफार्मर की बिजली खपत बेहद कम है, और द्वितीयक वोल्टेज व्यावहारिक रूप से प्रेरित ईएमएफ के बराबर रहता है, जो निरंतर प्राथमिक वोल्टेज द्वारा निर्धारित होता है। यह वोल्टेज माप के लिए आवश्यक सटीकता स्तर सुनिश्चित करता है।

3. संभावित ट्रांसफार्मर की द्वितीयक वाइंडिंग को कभी भी शॉर्ट सर्किट नहीं किया जाना चाहिए। सामान्य ऑपरेशन के तहत, 33kv उच्च वोल्टेज एकल चरण संभावित ट्रांसफार्मर का भार एक उच्च प्रतिबाधा उपकरण है, लेकिन यदि शॉर्ट सर्किट होता है, तो एकमात्र सीमित कारक वाइंडिंग की प्रतिबाधा है। इससे अत्यधिक उच्च शॉर्ट सर्किट करंट हो सकता है, जिससे गलत मीटर रीडिंग, गलत रिले संचालन या यहां तक ​​कि बिजली ट्रांसफार्मर को स्थायी क्षति हो सकती है।

4. सेकेंडरी वाइंडिंग और शून्य अनुक्रम वाइंडिंग दोनों के टर्मिनल को ग्राउंड किया जाना चाहिए। यदि ग्राउंडिंग नहीं की जाती है, तो प्राथमिक सिस्टम में कोई खराबी इन वाइंडिंग्स पर खतरनाक रूप से उच्च वोल्टेज उत्पन्न कर सकती है, जो जुड़े उपकरणों, रिले और कर्मियों की सुरक्षा के लिए गंभीर जोखिम पैदा करती है।

33kv High Voltage Single Phase Potential Transformer

तकनीकी विशिष्टता:

प्रकार रेटेड वोल्टेज अनुपात (केवी) सटीकता वर्ग सटीकता वर्ग और रेटेड आउटपुट cosΦ=0.8 अधिकतम. आउटपुट (वीए)
0.2 0.5 1 3
JDZ9-35Q 35/0.1 0.2 0.5 1 3 30 120 240 600 1200
35/0.1/0.1 0.2/0.2(0.5) 30 30 एन/ए एन/ए 600
0.5/0.5 एन/ए 60

33kv High Voltage Single Phase Potential Transformer

उत्पाद अक्सर पूछे जाने वाले प्रश्न:

प्रश्न: 33kv उच्च वोल्टेज एकल चरण संभावित ट्रांसफार्मर का रेटेड बोझ क्या है?

ए: रेटेड बोझ आम तौर पर आवेदन के आधार पर 25 वीए से 200 वीए तक होता है। यह ट्रांसफार्मर को ओवरलोड किए बिना मापने वाले उपकरणों और सुरक्षा रिले के लिए स्थिर सटीकता सुनिश्चित करता है।


प्रश्न: 33kv उच्च वोल्टेज एकल चरण संभावित ट्रांसफार्मर को ग्राउंडेड कैसे किया जाता है?

उत्तर: संदर्भ क्षमता को बनाए रखने और सुरक्षा सुनिश्चित करने के लिए द्वितीयक वाइंडिंग को आमतौर पर एक बिंदु पर ग्राउंड किया जाता है। यह फ्लोटिंग वोल्टेज से बचने और इन्सुलेशन विफलता के जोखिम को कम करने में मदद करता है।


प्रश्न: क्या एकल चरण पीटी को तीन चरण माप के लिए जोड़ा जा सकता है?

ए: बिल्कुल. तीन चरण प्रणाली के लिए, तीन एकल चरण पीटी को एक स्टार या ओपन डेल्टा व्यवस्था में जोड़ा जा सकता है, जो इस पर निर्भर करता है कि पूर्ण चरण से चरण और चरण से ग्राउंड वोल्टेज की निगरानी करने की आवश्यकता है या नहीं।




हॉट टैग: 33kv उच्च वोल्टेज एकल चरण ट्रांसफार्मर आपूर्तिकर्ता, उच्च वोल्टेज एकल चरण ट्रांसफार्मर थोक, औद्योगिक क्षमता ट्रांसफार्मर निर्माता
जांच भेजें
संपर्क सूचना
  • पता

    नंबर 391, जिंगकी रोड, यानपैन औद्योगिक क्षेत्र, यूकिंग शहर, झेजियांग प्रांत, चीन

  • टेलीफोन

    +86-577-62731111

  • ईमेल

    info@xifaele.com

अपना कोटेशन यथाशीघ्र प्राप्त करने के लिए

XiFa-आपका विश्वसनीय विद्युत उपकरण आपूर्तिकर्ता
समाचार अनुशंसाएँ
X
हम आपको बेहतर ब्राउज़िंग अनुभव प्रदान करने, साइट ट्रैफ़िक का विश्लेषण करने और सामग्री को वैयक्तिकृत करने के लिए कुकीज़ का उपयोग करते हैं। इस साइट का उपयोग करके, आप कुकीज़ के हमारे उपयोग से सहमत हैं। गोपनीयता नीति
अस्वीकार करना स्वीकार करना